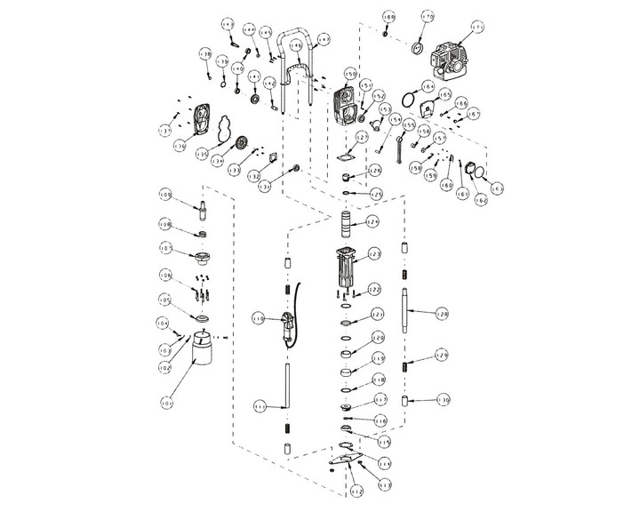
Obudowa filtra do kafara DPD 100 4SUW, DPD 120 4SUW

Obudowa zamienna filtra kompletna z filtrem i podstawą, dedykowana do kafara DPD 100 i DPD 120 z silnikami 4SUW oraz 4SUW HONDA GX35.
W sprzedaży oferujemy również obudowy przekładni, bijaki oraz bloki młotka udarowego, pierścieni gumowe, podkładki stalowe, rozruszniki, podstawy filtra powietrza, śruby mocujące oraz wiele innych części.
Marka
Symbol
P3334
Zapytaj o produkt
Opinie
5.0
Liczba wystawionych opinii: 1
51
40
30
20
10
Kliknij ocenę aby filtrować opinie
Dodaj opinię
























